Şirket Logosu
Sağ Logo
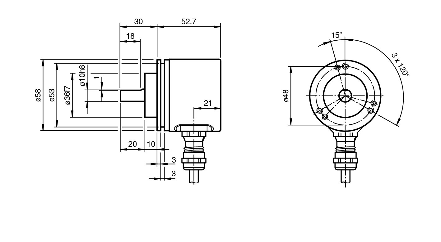
Ankasan Sensör Teknolojileri – ENA58IL-S10CA5-0012SY1-RC5:01 70177706 Ürün Detayı

Pepperl Fuchs > Endüstriyel Sensörler > Döner Enkoderler > Mutlak Döner Enkoderler

ENA58IL-S10CA5-0012SY1-RC5:01 - 70177706

Mutlak Döner Enkoder

Öne Çıkan Özellikler

Solid shaft

SSI interface

12 Bit singleturn

Free of wear magnetic sampling

High resolution and accuracy

📄 Datasheet İndir 💬 Teklif Al

WhatsApp
Ankasan
Çevrimiçi

Merhaba 👋
Size nasıl yardımcı olabiliriz?