Şirket Logosu
Sağ Logo
Ankasan Sensör Teknolojileri – BB10-P-F2/25/33/35/102/115-7m 809336 Ürün Detayı

Pepperl Fuchs > Endüstriyel Sensörler > Giriş Otomasyonu için Sensörler > Yürüyen Merdivenler için Sensörler

BB10-P-F2/25/33/35/102/115-7m - 809336

Karşılıklı Sensör

Öne Çıkan Özellikler

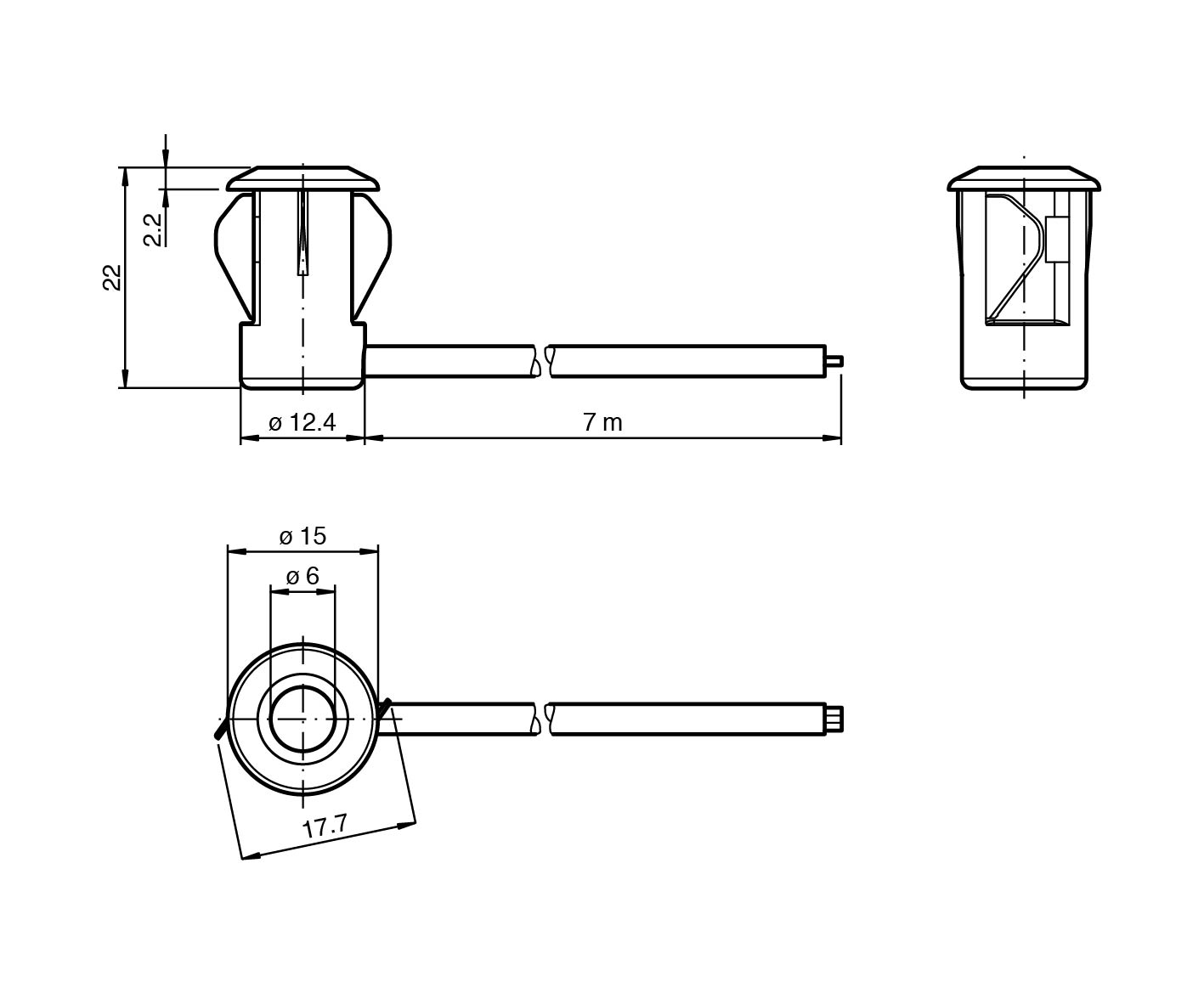
Single-beam miniature photoelectric sensor, ideal for installing in frames or contours

Integrated circuit

Plug-in style housing for 13 mm hole

Narrow opening angle, suitable for mounting in pairs

Various frequencies for avoiding mutual interference (cross-talk immunity)

Light on version

📄 Datasheet İndir 💬 Teklif Al

WhatsApp
Ankasan
Çevrimiçi

Merhaba 👋
Size nasıl yardımcı olabiliriz?