Şirket Logosu
Sağ Logo
Ankasan Sensör Teknolojileri – 7500-MAN-BK-**-* t206165 Ürün Detayı

Pepperl Fuchs > Tehlikeli Alan Ürünleri ve Çözümleri > Temizleme ve Basınçlandırma Sistemleri > Temizleme ve Basınçlandırma Sistemi(Ex pzc)

7500-MAN-BK-**-* - t206165

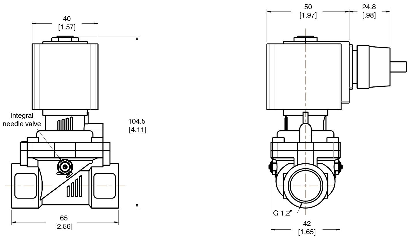
7500 Serisi Manifold

Öne Çıkan Özellikler

Optional digital valve

Compensates for pressure fluctuations

230 VAC, 115 VAC, or 24 VDC

Contacts are powered by the 7500 control unit

📄 Datasheet İndir 💬 Teklif Al

WhatsApp
Ankasan
Çevrimiçi

Merhaba 👋
Size nasıl yardımcı olabiliriz?